湿电除尘系统异态分析以及常见的故障
所属分类:阳极管资讯 点击次数:9024 发布日期:2020-02-20
湿电除尘器是脱硫工艺流程中重要的工业除尘设备,但运行过程中有时候也会出现一些小问题,如在离线冲洗水泵投运时,最开始的时候就地控制柜上的运行和停止信号会同时出现,而后在几秒之后重新恢复正常指示状态,停止信号消失。

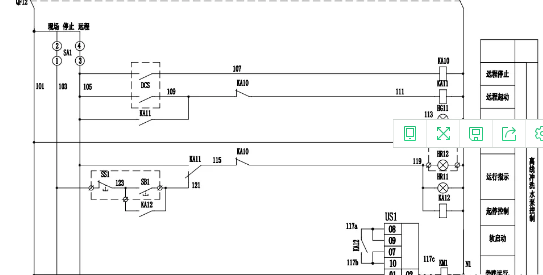
通过原理图泡芙视频在线下载免费可以知道,停止信号是由接触器KM1的常闭信号点控制的,在刚刚启动电机时,电机的启动由软启动器控制,KM1需要在软启动结束后得电动作,停止信号才会消失。所以这种启停信号同时出现的状况并不是故障,而是系统设计上的一点小瑕疵,也不会影响设备的正常使用。

之所以采用软启动器是因为离线冲洗水泵是一台75KW的较大电机,如果直接启动会对脱硫段母线电压发生较为明显的电压降,对其他设备的运行造成不利影响。软启动器是采用三相反并联晶闸管作为调压器,将其接入电源和电动机定子之间。这种电路如三相全控桥式整流电路。使用软启动器启动电动机时,晶闸管的输出电压逐渐增加,电动机逐渐加速,直到晶闸管全导通,电动机工作在额定电压的机械特性上,实现平滑启动,降低启动电流,避免启动过流跳闸。待电机达到额定转数时,启动过程结束,软启动器自动用旁路接触器取代已完成任务的晶闸管,为电动机正常运转提供额定电压,以降低晶闸管的热损耗,延长软启动器的使用寿命,提高其工作效率,又使电网避免了谐波污染。
针对泡芙视频在线下载免费日常工作中经常出现的关于湿电除尘系统的问题及解决,泡芙视频在线下载免费也作出一个罗列:


无锡泡芙视频在线下载免费设备制造有限公司是一家专业从事环保设备——湿式静电除尘器生产厂家,已为多家大型环保企业量身定制湿电除尘设备,具有丰富的技术经验。欢迎新老客户来场参观考察,24小时服务电话:13656199922
上一篇:湿电除尘器板式和管式的区别在哪里
下一篇:湿电除尘技术的知识简介
相关泡芙短视频官网
- 泡芙短视频APP污阳极管和阳极板之间的区别 [2025-07-15]
- 泡芙短视频APP污阳极管的优点介绍 [2025-07-07]
- 泡芙短视频APP污阳极管的工作性能 [2025-07-04]
- 湿电泡芙短视频APP污阳极模块的优势分析 [2025-06-30]
- 2205泡芙短视频APP污阳极管的应用分析 [2025-05-29]
- 泡芙短视频APP污阳极管其基本原理 [2025-05-19]

